|
摘要:本文介紹了在某生物能源有限公司電廠170t/h蔗渣鍋爐應用臭氧脫硝技術,使得氮氧化物排放從150mg/m³降低到70mg/m³。從技術角度分析,臭氧脫硝適合生物質鍋爐NOx的提效改造,設備簡單獨立,不受鍋爐燃燒工況影響,設備維護簡單,可在線檢修維護。臭氧脫硝技術可作為傳統脫硝技術的一個高效補充,在中小爐窯應用前景廣闊。
1背景
某生物能源有限公司電廠170t/h蔗渣鍋爐除塵采用旋風+電袋復合除塵器,脫硝采用SNCR(噴氨水),鍋爐煙氣先進行SNCR脫硝后進入除塵系統再通過引風機后經煙囪排出,整體工藝簡單,目前煙氣排放煙塵≤30mg/m³,氮氧化物≤150mg/m³,此次改造要求鍋爐在最低和最大負荷之間任何工況運行時NOx的排放濃度<70mg/Nm3(折算值)。在燃煤鍋爐領域,NOx的脫除主要是采用選擇性催化還原技術(SCR),NOx能得到有效控制并達到超凈排放。但蔗渣鍋爐由于鍋爐結構、燃燒工藝限制,無法提供SCR反應所需的溫度,為達到反應溫度區間需投入巨大資金進行鍋爐改造;且鍋爐飛灰含大量堿性成分,催化劑易中毒,因此不適合直接采用SCR脫硝。臭氧氧化法脫硝不受工況的影響,不需要有同SCR的反應溫度區間,設備獨立性,操作靈活性,運行維護費用低適合生物質鍋爐、循環流化床鍋爐、垃圾焚燒爐、玻璃窯中小爐窯等的脫硝提效改造。本項目經雙方的多次技術交流及用戶的調研、討論最后決定采用我司的臭氧脫硝技術改造。主要設計資料如下表1。

2臭氧脫硝原理
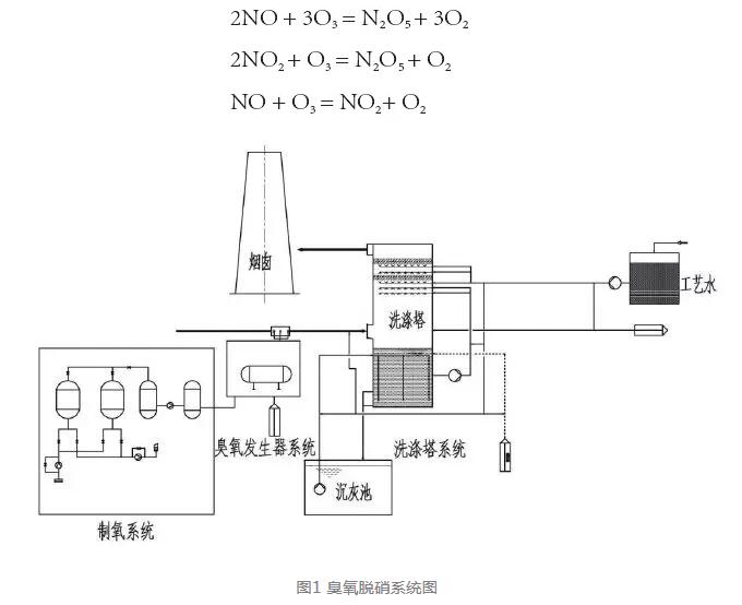
臭氧氧化法脫硝主要是利用臭氧的強氧化性,將不可溶的低價態氮氧化物氧化為可溶的高價態氮氧化物,然后在洗滌塔內通過冷卻、噴淋最終將氮氧化物吸收,達到脫除的目的,主要流程圖如下圖1。與SO2等氣體相比,NOx可以很快被臭氧氧化,確定O3與NO最佳摩爾比是選型的依據,O3對于NOx復雜的氧化反應過程,實際上最后通過N的價態變化體現出來,主要的反應如下:

3臭氧脫硝主要設備
臭氧脫硝系統主要由制氧系統、臭氧發生系統(含臭氧發生器、冷卻循環水系統、檢測儀器儀表等)、臭氧噴射系統、洗滌塔系統、輔助的氣源系統、工藝水系統、安全報警系統和PLC的全自動控制系統組成。
制氧系統采用VPSA變壓吸附,制氧系統主要由鼓風機、真空泵、吸附器、氧壓機、壓氧調節、送氧調節、儀表空氣系統、儀表控制系統、電氣控制系統等組成。原料空氣通過空氣過濾器后經鼓風機壓縮進入吸附器,空氣中的氮氣、二氧化碳等組分被吸附,生成的氧氣產品從吸附器頂部流出,生成合格氧氣露點溫度<-60°C經精密過濾器過濾、減壓穩壓后進入臭氧發生室。
氧氣在臭氧發生室內部通過中頻高壓放電生成臭氧,含臭氧的氣體經溫度、壓力、流量監測調節后經臭氧出氣口產出。臭氧發生室上設有臭氧取氣口,在臭氧發生器配備的臭氧濃度檢測儀在線監控臭氧發生器的出氣濃度,通過控制系統計算出臭氧產量。臭氧發生器冷卻水設計閉環的循環冷卻水系統,該冷卻系統先通過流過放電管外壁的除鹽水(即內循環水)來實現對臭氧發生器的降溫,內循環水又與外循環水通過板式換熱器進行換熱降溫,即冷卻水系統為兩道降溫系統,冷卻水出水管路裝有流量計、溫度變送器,當冷卻水流量不足、溫度超過設定值時報警。水冷卻循環系統包括板式換熱器、水泵、膨脹罐、閥門儀表及底座等。
在除塵系統后部(洗滌塔前)的煙道上設有臭氧噴射系統,臭氧噴射系統由流量調節控制系統、臭氧噴嘴、管路組成,噴嘴布置能夠滿足臭氧與煙氣充分均勻混合,臭氧流量數據可實現遠傳并時時可調。臭氧將煙氣中的不溶性低價氮氧化物氧化為可溶性高價態的氮氧化物NOx,之后進入洗滌塔。洗滌塔系統包括一臺洗滌塔(含兩級除霧器、兩層噴淋層)、漿液再循環系統、相應的管道閥門等。煙氣通過洗滌塔入口從洗滌塔漿液池上部進入吸收區,在吸收區熱煙氣與自上而下的漿液(漿液由兩層噴淋層的多個噴嘴噴出)接觸發生化學吸收反應,即氮的氧化物(NOx)與氫氧化鈣反應,形成硝酸鈣,煙氣同時被冷卻。在此,煙氣中的NOx被吸收洗滌,起到脫除氮氧化物的目的。洗滌后的煙氣依次經過除霧器除去霧滴,再經凈煙道由煙囪排入大氣。
輔助的安全報警系統在臭氧制備區內安裝有臭氧泄漏報警儀,當制備區域內環境中臭氧/氧氣泄露超標時,系統輸出報警信號。整個臭氧脫硝系統采用PLC的全自動控制,能夠完成脫硝裝置內所有的測量、監視、操作、自動控制、報警及保護和聯鎖、記錄等功能。
4臭氧脫硝的技術經濟性分析
臭氧脫硝在生物質鍋爐、循環流化床鍋爐、垃圾焚燒爐、玻璃窯中小爐窯等領域具有較佳的技術經濟性,上述鍋爐機組燃燒工況極其復雜,隨著日益嚴格的環保要求,只采用SNCR已經不能滿足排放要求,必須再上一套脫硝設備,進一步降低NOx的出口排放濃度。如果采用SCR,鍋爐沒有適合SCR的溫度場,需要投入大量資金改造鍋爐,而且復雜的燃燒工況如:水汽含量高、飛灰含大量堿性成分等,將大大降低催化劑的活性,脫硝鍋爐改造成本及運行費用高昂。臭氧脫硝系統具有設備獨立性,操作靈活性,運行維護費用低等優勢,采用SNCR+臭氧脫硝設備能夠滿足鍋爐任何工況使用要求。
臭氧脫硝工藝可以根據鍋爐是否運行,運行負荷的變化隨時調整臭氧發生量,運行過程中,根據CEMS檢測儀的反饋數據實時調整臭氧流量,設備啟動和調試時間短。鍋爐檢修期間可以停止脫硝工藝,當鍋爐低負荷運行時,通過調整臭氧發生量減少臭氧產量降低運行成本。如在xx公司有3×150t/h循環流化床鍋爐,鍋爐滿負荷運行時只采用SNCR即可滿足排放要求,但在正常運行中,經常有一臺鍋爐并不能帶到滿負荷,且循環切換,按此工況,若采用SCR脫硝,催化劑在三臺爐內磨損消耗,運行成本極高,若采用臭氧脫硝,只需上一套臭氧脫硝設備,臭氧按需求投加即可。
因此,臭氧脫硝雖然臭氧產生的成本較高,但是在某些特定運用領域經濟性明顯。
5臭氧脫硝改造效果
某生物能源有限公司170t/h生物質鍋爐脫硝項目采用我司臭氧脫硝設備順利通過168試運行,該項目采用制氧工藝,配置50kg/h臭氧發生器,PLC全自動控制,設備投運效果達到預期,經環保監測,煙囪出口NOx濃度(以NO2計)小于70mg/Nm3。實測旋風除塵器入口、洗滌塔出口的含氧量分別為2.66%、5.41%,標況NOx濃度(6%O2)分別為131.7mg/Nm3、58.4mg/Nm3,NOx脫除效率為55.7%(表2)。各項性能指標完全滿足合同協議要求,取得了圓滿成功。

6結語
本次臭氧脫硝技術改造的成功,為工業爐窯提供了一項可靠的脫硝技術路線,擴展了公司產品,意義重大。它是傳統脫硝技術的一個高效補充,不受鍋爐燃燒工況的影響,在中小爐窯,尤其是傳統脫硝技術無法滿足的領域,如生物質鍋爐、冶金行業、全負荷脫硝等,應用前景廣闊。
|